Min quantity:1Piece
Quantity:999Piece
Deliver:In 7 days
Overview
Essential details
Place of Origin:
Zhejiang, China
Brand Name:
YOMIN
Model Number:
YEM074TI
Display Type:
Analog Only, Analog Only
Phase:
Single Phase
Measuring Energy Range:
10(20),20(40),30(60),40(80)A
Accuracy Class:
class 2
Output Voltage:
127,230V
Operating Temperature:
-20°C ~ + 60°C, -20℃~60℃
Dimensions:
161x114x102mm, 161*114*102mm
installed:
front board mounted
Product name:
Front Board Mounted Energy Meter
Certificate:
CE ROHS
Cover Material:
PC
Bottom Materil:
Steel
Terminal:
Bakelite
Accuracy:
Class 2
Supply Ability
Supply Ability
100000 Piece/Pieces per Month for Energy Meter
Packaging & delivery
Packaging Details
Mass order: Blister tray+Inner carton+Master carton+pallet.
Sample Order: PE foam+printed box+master carton
Port
SHANGHAI/NINGBO for Energy Meter
Lead time:
Shipped in 4-20 days after payment, depend on order qty and stoc
Hot Sell127V 230V Single Phase Front Board Installation Analog Energy Meter KWH Meter Electric Meter with PC Transparent Cover

Product Description
Model YEM074TI single phase electromechanical front board setting active energy meter is a kind of new style single phase two wire active energy meter, it is designed on the basis of original DD282 single phase electromechanical meter, and fully absorb new technologies about electromechanical meter from domestic and abroad. The meter completely accords with relevant technical requirements of class 2 single phase active energy meter stipulated in international standard IEC 62053-11. It can accurately and directly measure 50Hz or 60Hz active energy consumption from single phase AC electricity net, it is used for setting indoor or out door meter box. The meter has novel design, rational structure, and it can display total energy consumption by drum wheel mechanical register. It has following features: compact structure design, small size, economy benefits, specious appearance, etc.
Functions
1. Front board two fixed installation, the cover is made of PC material which is transparent and anti-UV molded overall, the bottom of the meter is made of quality steel which is after double-through antirust processing, and the terminal is made of quality bakelite material which is moisture-resistant, fire-retardant, high temperature molded overall.It has following features: economy benefits, specious appearance, etc.
2. The meter frame adopt aluminum molding with excellent mechanical strength, stable structure and anti-impact.
3. Voltage components and current components is used of double insulation structure, has good electrical characteristics.
4. Standard configuration voltage circuit and current circuit connect in the case, may select connect outside.
5. Standard configuration bottom bearing is used of single-precious stone bearing, oriented bearing is made of high wear resistance copper alloy bush and stainless steel needle. May select magnetic thrust bearing (Product Configuration code is TA) or double gem bearing (Product Configuration code is TE).
6. All kinds of error adjustment mechanism adopt no step shifting mechanism. The meter starting and creeping needn’t to be adjust which is finished by anti-creeping hole of disc and convenient for adjusting by users.
7. Standard configuration 5 digits display by drum wheel mechanical register, may select 6 digits display by drum wheel mechanical register (Product Configuration code is TK).
8. Standard configuration without the device which can prevent retrograde, may select add the function of prevent retrograde. (Please specified when ordering).
9. Single component measure single phase two wire active energy consumption. Complying with standard IEC 62053-11.
10. Direct connect operation, there are two types wiring you may select. Standard configuration type 1B wiring, may select type 1A wiring (Product Configuration code is TJ).
11. Standard configuration short terminals cover, may select extension terminals cover, in order to protect to use safety. (Product Configuration code is UI).
Technical parameters
Model | Accuracy | Reference Voltage(V) | Current specifications(A) | Starting current | Insulation performance | |
YEM074TI | Class 2 | 127 230 | 10(20) 20(40) 30(60) 40(80) | 0.05 0.1 0.15 0.2 | AC voltage 2kv for 1 minute, 1.2/50us waveform impulse voltage 6kv | |
Dimension
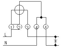
Wiring Diagram
| Terminals | Note | ||||
1 | Inlet phase line | |||||
3 | Outgoing phase line | |||||
4 | Inlet neutral line | |||||
5 | Outgoing neutral line | |||||
Company Information




