Min quantity:5000Piece
Quantity:50000Piece
Product Introduction

What a solar inverter is? To make it simple that the inverter inverts direct current into alternating current for all appliances. A good inverter can really help reduce your maintenance cost and bring you a safe and clean electricity consumption environment.
There are many brands on the market, so why you should choose ours. The answer is quietly simple because each of our products is strictly tested in the lab to ensure each customer the best quality and safety. Good materials and advanced design make our products more endurable and safe.


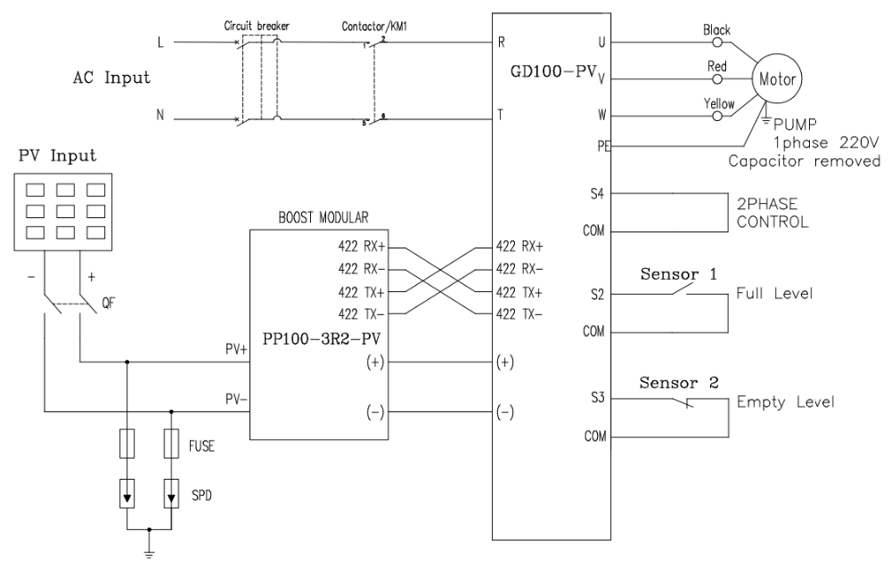
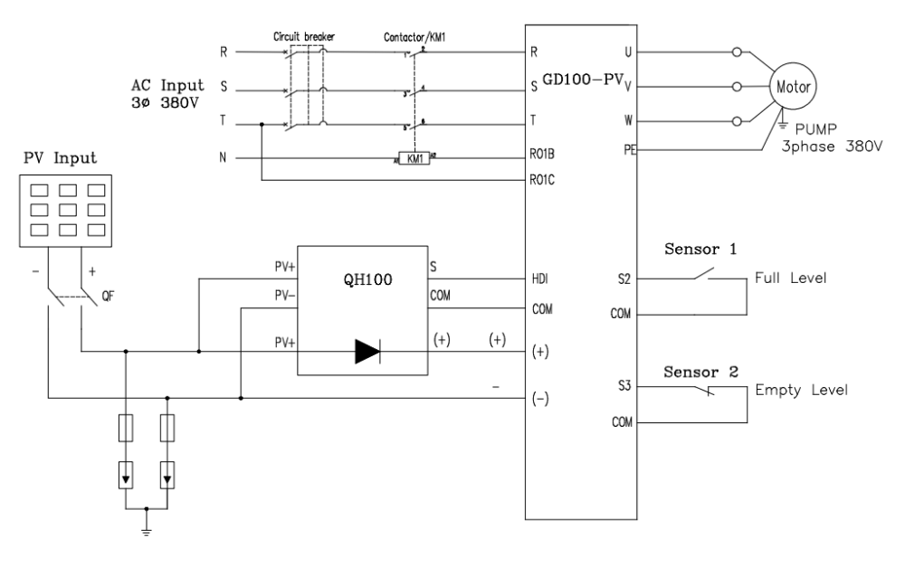
Detailed Images



1.Start or sleep automatically only after being connected to solar panel without setting any parameter.
2.Include PV over-voltage protection, PV polarity reverse warning, auto-derating against over-temperature etc, extending product's life.
3.Ensure the solar power tracking efficiency reaches 99%, and keep frequency output stable without any faults and stop even though the solar power is unstable.
4.Models of 2.2kW or less can be configured with the boost module, which can reduce the cost by decreasing the number (Up to 13 Pieces) of solar panel.


5.Implement auto switch or hybrid function between solar input and grid input, achieving 24-hour unattended work.
6.Support GPRS module, which can remotely monitor the inverter by using the APP.



